Prototype experiments for the ILC undulator-based positron source

E166 at SLAC

Layout and goals:

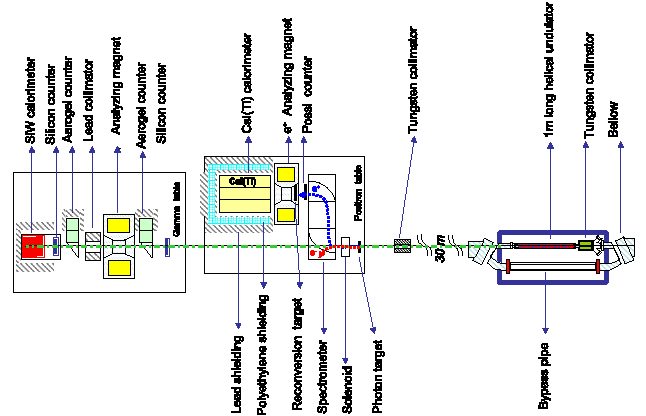
Schaelicke, POSIPOL The experiment E166 was approved in 2003 and had two runs of data in 2005 at the FFTB at SLAC with about 8.5 millions events on tape.

Its goal was to demonstrate the production of polarized positrons with an helical undulator.

It uses an 1 m helical undulator in connection with the 50 GeV FFTB. Photon and positron diagnostics has been done. More details are given in this talk, summarized on this poster contribution to EPAC'06.


Results:

Positron Asymmetry at E166 The experiment run at an electron energy of 46.6 GeV, the undulator period was 2.4 mm (undulator K-factor~0.19), which leads to the energy of the first harmonic of the undulator radiation of about 8 MeV. The photons were converted at a thin tungsten target with 0.25 radiation length, leading to polarized positrons with a maximal energy of also about 8 MeV -- in agreement with theoretical predictions and simulation.

The incoming 10^10 electrons per bunch were leading to about 10^9 photons per bunch. The conversion into positrons at the W target is about 1% in that photon energy range of about 10 MeV (linked plot shown for a GEANT4 simulation with a first harmonic cutoff of 9.6 MeV. More details are given in this talk).

Positron Asymmetry at E166 The photon and positron diagnostics was done wit the Compton transmission method, best suitable in that energy region. This method is based on the spin dependent Compton scattering of polarized photons with polarized target electrons in a magnetized iron. Flipping the iron magnetization leads to an asymmetry in the observed transmitted photon rate.

Both photon and positron asymmetries have been analyzed for different energies. Two independent and different approaches (methods `T' and `Z') for the data analysis have been used and show consistent results:

The photon (positron) asymmetry is in the expected range of about 3.4% (0.5% - 1%). To derive the polarization from the measured asymmetry, the analyzing power has to be determined. Preliminary results give a positron polarization between 50%-90%, depending on the different energies. Final results are under work.

.

Prototypes for an ILC helical undulator: designs at AsteC, Daresbury and RAL, Oxford

Goals:

The goal of the UK heLiCal collaboration is the development of an helical undulator design for the ILC. This work will be accomplished in collaboration with the Cornell University.

Prototypes for such a design are short-period devices with a very short aperture and are already under construction at the AsteC, Daresbury Laboratory and the Ruthford Appleton Laboratory at Oxford. A status report of the ongoing work can be read in this article in the EPAC06 proceedings.

Results:

An earlier iteration of the undulator BCD design (before November 2005) aimed at generating 20 MeV photons in an undulator with a 14 mm period and a peak field of 0.8 T from a 250 GeV drive beam. Two prototypes for these parameters have been designed, one using superconducting magnets and one using permanent magnets.

SC prototype

For the superconducting prototype (with twenty 14-mm periods) the on-axis magnetic flux were measured at room and at superconducting temperatures.

On-axis field of SC prototype

The superconducting prototype reached 225 A (the maximum current) without quenching and the radial field was shown to reach the nominal on-axis value of 0.8 T. More details can be read in the PAC05 proceedings.

Duncan, heLiCal meeting It is also important to know how well the magnetic field in the undulator has to be controlled, how sensitive the electron trajectory is on such field deviations and whether corrector magnets will be needed.

Studies have shown that the magnetic field does not vary significantly up to 500 microns off-axis.

500 simulations of electron trajectories through 12 m of the undulator (3 modules) with random errors of about 5% in the peaks (i.e. errors assumed to be about 3-5 times worse than in the measured device) have been made. The results derived without applying any corrector magnets, show that the average rms electron trajectory is less than 50 microns, which is far below the before mentioned 500 micron range.

Given the size of the rms trajectory with realistic errors the electron orbit through the undulator is not a crucial issue. No corrector magnets are absolutely needed. More details are given in this talk.

SC prototype

The permanent magnet undulator prototype (with ten 14-mm periods), the Halbach undulator, was built from NbFeB magnets. Initial field measurements have confirmed that the on-axis field is helical.

Based on operational considerations, however, the decision was taken by the collaboration to focus on superconducting magnet technology for the future design work: the main argument was the ease with which the superconducting undulator parameters could be adjusted simply by varying the current; see more details in these ICHEP05 proceedings and a summary of both prototypes and the magnetic measurements in the publication.

Current ILC undulator design:

The current helical undulator of the BCD, however, is now foreseen with these parameters, generating photons with an energy of 10 MeV from a drive beam with only 150 GeV; the circular aperture has to be very narrow, 5.8 mm diameter. These parameters are demanding.

To meet the requirements in change in the photon energy specification and the drive beam energy, an extensive amount of magnetic modelling had to be carried out to reoptimise the undulator parameters.

A key result from the earlier superconducting magnet modelling was that the inclusion of an iron former increased the on-axis field by ~0.5 T. Since the field gradient at the iron-conductor interface is very steep, it is difficult to estimate the peak field in the superconductor.

 2d3d-magnetic modelling
In order to scan of the undulator parameter space and study the effects of changing the period, bore and winding size, computer modelling studies have been applied.

Current computer modelling indicates that an undulator (1:1 ratio of copper to NbTi) with 11.5 mm period, 6.3 mm winding bore, 80 % of the critical current and 10 MeV photons at the first harmonic can be achieved. These results are being experimentally verified with short test pieces; more details about the magnetic modelling studies, see these EPAC06 proceedings.

In parallel with the magnetic modelling a number of short undulator prototypes (EPAC06 proceedings) have been/will be built to develop fabrication techniques for the full scale modules.

Emittance increase, talk Duncan
Careful studies have also been made to study the impact of the narrow aperture, vacuum vessel on the electron beam to ensure that wall impedance or surface roughness do not degrade the electron beam properties.
Resistive wall wakefield and surface roughness studies have shown that there is a small effect on the electron beam energy spread. The beam energy spread would increase by about 10% for stainless steel, but only by about 1 % for an Al, Cu or Au coated vessel.

Studies on the emittance dilution due to the resitive wall wakefields indicate that the strength of the kick along 200 m of undulator would need to be amplified by a factor greater than 200 to have any noticeable effect, more details se in this talk.

To mitigate any further wakefield effects a smooth copper pipe (r~30 nm) with a 6.3 mm outer diameter and 5.8 mm inner diameter will be used, which is available from industry today.

It will be important to achieve and maintain a vacuum in the undulator vessel. Studies on the electron cloud instability have shown that for a vacuum of 100 nTorr the increase in beam amplitude is about 0.2%. By installing photon collimators at about every 10-20 m, for instance between every undulator cell, a suitable vacuum can readily be maintained. Further details and a summary can be found in this EPAC06 proceedings.

Undulator-based source studies at Cornell

 Undulator prototype at Cornell Two super-conducting helical undulators with 36 cm length and these parameters have been designed and the magnetic fields have been measured. The aperture of both designs is 8 mm, the periods are 10 and 12 mm and are wounded with 0.6 mm NbTi wire. The devices contain an iron joke.

Tapering of the magnetic field in the undulators with the fractions 1/10, 3/10, 5/10, 7/10, 9/10 and 1 has been realized, so that zero displacement of the electron trajectory can be achieved. Emittance dilution has also been checked and can be avoided if the different undulator sectors are fed with opposite polarity.

Undulators with a smaller aperture of e.g. 7 mm would allow an exponentially higher field. However, the studies have shown that it is better to use a longer undulator to get maximal photon flux instead of using a smaller aperture. More details are given in this EPAC06 proceedings.

 Collimator, Cornell Two types of collimators have been studied for the undulator-based source.

The first kind of collimators is installed in front of the undulator to protect the undulator of direct hits from the primary beams. This collimator must at lest have the capacity to absorb the energy density of one full train. The studies have shown that a collimator with a rotating metal, for instance Indium-Gallium alloy, is well suited for such a high-power collimator.

The second kind of collimators is installed in front of the target and serves to collimate the produced photons. It cuts the low-energy spectrum of the first harmonic of the undulator radiation and suppresses also the second harmonic contributions. These cuts lead to an increase in polarization of the photons and the positrons since for a high polarization only the particles with the highest energy have to be selected.
Such collimators are divided up in several sections. A high-Z material cylinder (here W) is inserted into an low-Z material cylinder (here pyrolytic Graphite with an axial hole of about 3 mm diameter). A cooled copper cube gives the outer cylinder. Pyrolitic Graphite is best suited since it provides, for instance, a high heat conductivity. More details can be found in this contribution to EPAC06.

A Titanium wheel target is foreseen for the baseline design, details see Target and capture issues.
Calculations of the conversion efficiency have shown that a needle type target may lead to a few times higher yield than a wide target because the positrons could escape the target from all sides. Changes of the target shape may therefore provide further potential for yield improvement.

Another possible concept is to use a liquid metal target. A liquid metal jet chamber has been designed that can work at a temperature up to 450^0 C, for instance with liquid Pb or BiPb alloy. Also Mercury would be a suitable candidate. However, Hg has a high toxicity which makes its implementation and application more difficult.

Concerning liquid targets, the best candidate is therefore BiPb alloy. It has a moderate melting temperature of about 125^0 C, but a high boiling temperature (~1500^0 C). The alloy can so stand a long range of temperature raise. An additional advantage of BiPb allow is its very low thermal neutron cross section. More details are given in this contribution to the EPAC06 proceedings.

Further studies at Cornell discuss alternative layouts for the undulator-based scheme. More details can be read in this contribution to EPAC06.


Gudi Moortgat-Pick
Last modified: 31-August-2006